| 相数 | 定格容量 (kVA) |
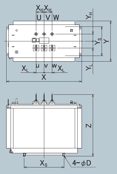
外形寸法(mm) | 据付寸法(mm) | 端子間隔(mm) | 総質量 (kg) |
油量 (ℓ) |
外形図 | 形式 | |||||||
|---|---|---|---|---|---|---|---|---|---|---|---|---|---|---|---|
| X | Y | Z | Xs | Ys | D | XH | XL | YH | YL | ||||||
| 単相 | 10 | 405 | 495 | 715 | 300 | 350 | 15 | 110 | 90 | − | − | 180 | 35 | LOU-CA5 | |
| 20 | 405 | 495 | 715 | 300 | 350 | 15 | 110 | 90 | − | − | 180 | 35 | LOU-CA5 | ||
| 30 | 445 | 495 | 825 | 350 | 350 | 15 | 110 | 100 | − | − | 235 | 50 | LOU-CA5 | ||
| 50 | 495 | 515 | 935 | 350 | 350 | 15 | 110 | 100 | − | − | 325 | 70 | LOU-CA5 | ||
| 75 | 650 | 575 | 1,040 | 450 | 500 | 15 | 280 | 130 | 125 | 120 | 505 | 120 | LOU-CA5 | ||
| 100 | 650 | 575 | 1,135 | 450 | 500 | 15 | 280 | 130 | 125 | 120 | 565 | 140 | LOU-CA5 | ||
| 150 | 690 | 600 | 1,235 | 500 | 550 | 15 | 280 | 130 | 125 | 120 | 740 | 165 | LOU-CA5 | ||
| 200 | 830 | 655 | 1,235 | 550 | 600 | 15 | 280 | 130 | 125 | 120 | 940 | 230 | LOU-CA5 | ||
| 300 | 930 | 785 | 1,400 | 600 | 650 | 19 | 280 | 130 | 200 | 170 | 1,340 | 300 | LOU-CA5 | ||
| 500 | 1,045 | 900 | 1,540 | 600 | 800 | 19 | 280 | 160 | 200 | 170 | 1,795 | 410 | LOU-CA5 | ||
| 相数 | 定格容量 (kVA) |
外形寸法(mm) | 据付寸法(mm) | 端子間隔(mm) | 総質量 (kg) |
油量 (ℓ) |
外形図 | 形式 | |||||||
|---|---|---|---|---|---|---|---|---|---|---|---|---|---|---|---|
| X | Y | Z | Xs | Ys | D | XH | XL | YH | YL | ||||||
| 三相 | 20 | 595 | 495 | 825 | 350 | 350 | 15 | 110 | 100 | − | − | 315 | 70 | LOU-YYCA5 | |
| 30 | 595 | 495 | 825 | 350 | 350 | 15 | 110 | 100 | − | − | 315 | 70 | LOU-YYCA5 | ||
| 50 | 615 | 515 | 845 | 350 | 350 | 15 | 110 | 100 | − | − | 375 | 80 | LOU-YYCA5 | ||
| 75 | 710 | 495 | 1,040 | 400 | 400 | 15 | 140 | 90 | 120 | 120 | 490 | 120 | LOU-YDCA5 | ||
| 100 | 770 | 550 | 1,130 | 450 | 500 | 15 | 140 | 110 | 125 | 120 | 655 | 160 | LOU-YDCA5 | ||
| 150 | 930 | 570 | 1,130 | 500 | 500 | 15 | 140 | 110 | 125 | 120 | 870 | 190 | LOU-YDCA5 | ||
| 200 | 980 | 655 | 1,135 | 550 | 550 | 15 | 140 | 130 | 125 | 120 | 990 | 225 | LOU-YDCA5 | ||
| 300 | 1,150 | 765 | 1,240 | 600 | 600 | 19 | 140 | 130 | 125 | 120 | 1,415 | 280 | LOU-YDCA5 | ||
| 500 | 1,320 | 900 | 1,360 | 800 | 800 | 19 | 200 | 130 | 180 | 170 | 2,085 | 455 | LOU-YDCA5 | ||
| 750 | 1,765 | 980 | 1,365 | 1,000 | 800 | 24 | 200 | 200 | 180 | 170 | 2,915 | 650 | LOU-DD5CA5 | ||
| 1,000 | 1,825 | 1,010 | 1,570 | 1,000 | 800 | 24 | 200 | 200 | 180 | 170 | 3,500 | 820 | LOU-DD5CA5 | ||
| 1,500 | 2,090 | 1,175 | 1,630 | 1,200 | 850 | 24 | 200 | 200 | 250 | 200 | 5,110 | 1,240 | LOU-DD5CA5 | ||
| 2,000 | 2,305 | 1,375 | 1,665 | 1,500 | 850 | 24 | 200 | 200 | 250 | 200 | 6,220 | 1,340 | LOU-DD5CA5 | ||
| 相数 | 定格容量 (kVA) |
外形寸法(mm) | 据付寸法(mm) | 端子間隔(mm) | 総質量 (kg) |
油量 (ℓ) |
外形図 | 形式 | |||||||
|---|---|---|---|---|---|---|---|---|---|---|---|---|---|---|---|
| X | Y | Z | Xs | Ys | D | XH | XL | YH | YL | ||||||
| 三相 | 75 | 710 | 495 | 1,040 | 400 | 400 | 15 | 140 | 90 | 120 | 120 | 495 | 120 | LOU-DYCA6 | |
| 100 | 770 | 550 | 1,130 | 450 | 500 | 15 | 140 | 90 | 125 | 120 | 665 | 160 | LOU-DYCA6 | ||
| 150 | 930 | 570 | 1,130 | 500 | 500 | 15 | 140 | 90 | 125 | 120 | 875 | 185 | LOU-DYCA6 | ||
| 200 | 980 | 655 | 1,130 | 550 | 550 | 15 | 140 | 110 | 125 | 120 | 980 | 220 | LOU-DYCA6 | ||
| 300 | 1,150 | 765 | 1,230 | 600 | 600 | 19 | 140 | 130 | 125 | 120 | 1,370 | 305 | LOU-DYCA6 | ||
| 500 | 1,320 | 900 | 1,360 | 800 | 800 | 19 | 200 | 130 | 180 | 170 | 2,060 | 460 | LOU-DYCA6 | ||
| 750 | 1,765 | 980 | 1,345 | 1,000 | 800 | 24 | 200 | 130 | 180 | 170 | 2,905 | 665 | LOU-DY5CA6 | ||
| 1,000 | 1,825 | 1,010 | 1,570 | 1,000 | 800 | 24 | 200 | 130 | 180 | 170 | 3,475 | 835 | LOU-DY5CA6 | ||
| 1,500 | 2,030 | 1,175 | 1,620 | 1,200 | 850 | 24 | 200 | 160 | 250 | 200 | 4,850 | 1,220 | LOU-DY5CA5 | ||
| 2,000 | 2,265 | 1,275 | 1,665 | 1,500 | 850 | 24 | 200 | 160 | 250 | 200 | 5,700 | 1,380 | LOU-DY5CA5 | ||