| ステップコントローラ(S-32/63S2(S64)) [*1] | MG000 [*2] |
| Nシリーズ(N-1000/2000/5000/6000/7000) [*1] | MG000 [*2] |
| Aシリーズ(A-250) [*1] | MG000 [*2] |
| Pシリーズ(P-120/250/1000/250E/500E/2000H/2000H2) [*1] | BAT0A [*2] |
| Cシリーズ(C-40) [*1] | MG000 [*2] |
| Cシリーズ(C-28/40A/64) [*1] | Dシリーズ用バッテリ [*2] |
| Dシリーズ(D-28/40/64) [*1] | Dシリーズ用バッテリ [*2] |
| J-16シリーズ [*1] | 電池を搭載していません。 |
| E/EB/EC/ECL/EC2, EM/EM-Ⅱシリーズ [*1] | 電池を搭載していません。 |
| GM-4000/4000E [*1] | GM-4000用バッテリ [*2] |
| 小形Hシリーズ(H-200/250/252B/252C) [*1] | LIBAT-H |
| 大形Hシリーズ(H-300/700/2000/302/702/1002/2002/4010) [*1] | LIBAT-H |
| Hボード(H-20/28/40/64,HL-40/64) [*1] | LIBAT-H |
| EH-150シリーズ [*1] | LIBAT-H |
| EHVシリーズ | LIBAT-H |
| EHV+シリーズ | LIBAT-H |
| MICRO-EHシリーズ(23/28点タイプ) [*1] | EH-MBAT |
| MICRO-EHシリーズ(20/40/64点タイプ) [*1] | EH-MBATL |
| MICRO-EHVシリーズ(40/64点タイプ) | MV-BAT |
| MICRO-EHV+シリーズ(40/64点タイプ) | MV-BAT |
| Webコントローラ(23点タイプ) | EH-MBAT |
| HXシリーズ | HX-BAT |
| シリーズ名 | 製品形式 | 製品名称 | 使用数量 | 使用電池形式 |
|---|---|---|---|---|
| ステップコントローラ | S-32 | 小型ステップコントローラ | 1 | MG000 |
| 63S2(S64) | ステップコントローラ | 1 | ||
| N-1000 | JA010 | N-1000 CPU 1Kメモリタイプ | 2 | |
| JA020 | N-1000 CPU 2Kメモリタイプ | 2 | ||
| N-2000 | JC010 | N-2000 CPU 1Kメモリタイプ | 2 | |
| JC110 | N-2000 CPU 新1Kメモリタイプ | 2 | ||
| JC020 | N-2000 CPU 2Kメモリタイプ | 2 | ||
| JC120 | N-2000 CPU 新2Kメモリタイプ | 2 | ||
| JC040 | N-2000 CPU 4Kメモリタイプ | 2 | ||
| JC140 | N-2000 CPU 新4Kメモリタイプ | 2 | ||
| JE120 | N-2000 CPU EPROM 2Kメモリタイプ | 2 | ||
| JE140 | N-2000 CPU EPROM 4Kメモリタイプ | 2 | ||
| N-5000 | MD040 | N-5000用メモリカード 4Kワード | 2 | |
| N-6000 | HA060 | N-6000 CPU 6Kバイト | 2 | |
| HA061 | N-6000 CPU 8Kバイト | 2 | ||
| N-7000 | KB080 | N-7000 RAMメモリ 8Kバイト | 2 | |
| KB160 | N-7000 RAMメモリ 16Kバイト | 2 | ||
| A-250 | MU010 | A-250 RAMメモリ 1Kワード | 1 | |
| MU020 | A-250 RAMメモリ 2Kワード | 1 | ||
| MU040 | A-250 RAMメモリ 4Kワード | 1 | ||
| MY020 | A-250 EPROMメモリ 2Kワード | 1 |
| シリーズ名 | 製品形式 | 製品名称 | 使用数量 | 使用電池形式, 仕様 |
|---|---|---|---|---|
| P-120 | CP00A | P-120 CPU 1Kワード | 1 | BAT0A |
| P-250 | CP11A | P-250 CPU RAMメモリ 1Kワード | 1 | |
| CP12A | P-250 CPU RAMメモリ 2Kワード | 1 | ||
| CP16A | P-250 CPU EPROMメモリ 2Kワード | 1 | ||
| P-1000 | CP21A | P-1000 CPU RAMメモリ 4Kワード | 1 | |
| CP22A | P-1000 CPU RAMメモリ 8Kワード | 1 | ||
| P-2000H | CPH-08A/08LA | P-2000H CPU メモリ8K | 1 | |
| CPH-16A/16LA | P-2000H CPU メモリ16K | 1 | ||
| CPH-24A/24LA | P-2000H CPU メモリ24K | 1 | ||
| CPH-32A/32LA | P-2000H CPU メモリ32K | 1 | ||
| P-2000H2 | CPH2-08A/08LA CPH2-08FA/08FLA |
P-2000H2 CPU メモリ8K | 1 | |
| CPH2-16A/16LA CPH2-16FA/16FLA |
P-2000H2 CPU メモリ16K | 1 | ||
| CPH2-24A/24LA CPH2-24FA/24FLA |
P-2000H2 CPU メモリ24K | 1 | ||
| CPH2-32A/32LA CPH2-32FA/32FLA |
P-2000H2 CPU メモリ32K | 1 | ||
| P-250E | CPE-AR | P-250E CPU RAMメモリ 2Kワード | 1 | |
| CPE-DR | P-250E CPU RAMメモリ 2Kワード | 1 | ||
| CPE-AS | P-250E CPU RAMメモリ 2Kワード | 1 | ||
| CPE-DT | P-250E CPU RAMメモリ 2Kワード | 1 | ||
| P-500E | CP5EA | P-500E CPU RAMメモリ 4Kワード | 1 | |
| CP5EB | P-500E CPU RAMメモリ 16Kワード | 1 |
| シリーズ名 | 製品形式 | 製品名称 | 使用数量 | 使用電池形式, 仕様 |
|---|---|---|---|---|
| Cシリーズ | C-40 | 40点ユニット | 1 | MG000 |
| C-28 | 28点ユニット | 1 | Dシリーズ用バッテリ | |
| C-40A | 40点ユニット | 1 | ||
| C-64 | 64点ユニット | 1 | ||
| Dシリーズ | D-28 | 28点ユニット | 1 | |
| D-40 | 40点ユニット | 1 | ||
| D-64 | 64点ユニット | 1 |
J-16シリーズ, E/EB/EC/ECL/EC2, EM/EM-Ⅱシリーズ [販売終了機種]
J-16シリーズ, E/EB/EC/ECL/EC2, EM/EM-Ⅱシリーズ製品は電池を搭載しておりません。
(プログラムはEPROM・EEPROM, データメモリは内蔵大容量コンデンサにて保持されます。)
| シリーズ名 | 製品形式 | 製品名称 | 使用数量 | 使用電池形式, 仕様 |
|---|---|---|---|---|
| GM-4000 | GCPUM | マスタCPUカード | 1 | GM-4000用バッテリ |
| GCPUS | スレーブCPUカード | 1 | ||
| GMEM0 | マスタメモリカード | 1 | ||
| GMES0 | スレーブメモリカード | 1 | ||
| GMEM1〜3 | マスタ拡張メモリカード | 各1 | ||
| GMES1〜3 | スレーブ拡張メモリカード | 各1 | ||
| GM-4000E | GM4ECPU | 本体ユニット | 2 |
| シリーズ名 | 製品形式 | 製品名称 | 使用数量 | 使用電池形式, 仕様 |
|---|---|---|---|---|
| H-200 | CPU-02H | H-200 CPU RAM 7.6Ks | 1 | LIBAT-H |
| CPE-02H | H-200 CPU EEPROM対応版 | 1 | ||
| H-250 | CPU21-02H | H-250 CPU RAM 7.6Ks | 1 | |
| H-252B | CPU22-02HB | H-252B CPU RAM 15.7Ks | 1 | |
| H-252C | CPU22-02HC | H-252C CPU RAM 15.7Ks | 1 | |
| CPE22-02HC | H-252C CPU EEPROM 15.7Ks | 1 | ||
| H-200 H-250 H-252B H-252C |
POSH | 2軸位置決めモジュール | 1 |
| シリーズ名 | 製品形式 | 製品名称 | 使用数量 | 使用電池形式, 仕様 |
|---|---|---|---|---|
| H-300 H-700 H-2000 |
RAM-04H | CPU-**Ha専用メモリカセット RAM 3.5Ks | 1 | LIBAT-H |
| RAM-08H | CPU-**Ha専用メモリカセット RAM 7.6Ks | 1 | ||
| RAM-16H | CPU-**Ha専用メモリカセット RAM 15.7Ks | 1 | ||
| RAM-48H | CPU-**Ha専用メモリカセット RAM 48.5Ks | 1 | ||
| ROM-16H | CPU-**Ha専用メモリカセット RAM 15.7Ks | 1 | ||
| H-300 H-700 H-2000 H-302 H-702 H-1002 H-2002 |
RAM2-04H | メモリカセット RAM 3.5Ks | 1 | |
| RAM2-08H | メモリカセット RAM 7.6Ks | 1 | ||
| RAM2-16H | メモリカセット RAM 15.7Ks | 1 | ||
| RAM2-48H | メモリカセット RAM 48.5Ks | 1 | ||
| ROM2-16H | メモリカセット RAM 15.7Ks | 1 | ||
| ROM2-48H | メモリカセット RAM 48.5Ks | 1 | ||
| H-302 H-702 H-1002 H-2002 |
RAM3-08H | CPU2-**H専用メモリカセット RAM 7.6Ks | 1 | |
| RAM3-16H | CPU2-**H専用メモリカセット RAM 15.7Ks | 1 | ||
| RAM3-48H | CPU2-**H専用メモリカセット RAM 48.5Ks | 1 | ||
| H-4010 | CPU3-40H | H-4010 CPU RAM 96ks | 1 | |
| H-300 H-700 H-2000 H-302 H-702 H-1002 H-2002 H-4010 |
BASIC-H | BASICモジュール | 1 | |
| ASCII-1H | CRT,プリンタ対応アスキーモジュール | 1 | ||
| ASCII-2H | バーコードリーダ対応アスキーモジュール | 1 | ||
| CLOCK-H | リアルタイムクロックモジュール | 1 | ||
| POSIT-2H | 2軸位置決めモジュール | 1 | ||
| POSITA-2H | 2軸アナログ位置決めモジュール | 1 | ||
| GMD-100H | 液晶グラフィックモニタディスプレイ | 1 | ||
| HB700 | CPUB-07H | HB700 CPU RAMメモリ 7.6Ks | 1 |
| シリーズ名 | 製品形式 | 製品名称 | 使用数量 | 使用電池形式, 仕様 |
|---|---|---|---|---|
| Hボード | H-20DR | 20点基本ユニット | 1 | LIBAT-H |
| H-20DRP | 20点基本ユニット | 1 | ||
| H-20DT | 20点基本ユニット | 1 | ||
| H-20DTP | 20点基本ユニット | 1 | ||
| H-28DR | 28点基本ユニット | 1 | ||
| H-28DRP | 28点基本ユニット | 1 | ||
| H-28DT | 28点基本ユニット | 1 | ||
| H-28DTP | 28点基本ユニット | 1 | ||
| H-40DR | 40点基本ユニット | 1 | ||
| H-40DRP | 40点基本ユニット | 1 | ||
| H-40DT | 40点基本ユニット | 1 | ||
| H-40DTP | 40点基本ユニット | 1 | ||
| H-64DR | 64点基本ユニット | 1 | ||
| H-64DRP | 64点基本ユニット | 1 | ||
| H-64DT | 64点基本ユニット | 1 | ||
| H-64DTP | 64点基本ユニット | 1 | ||
| HL-40DR | 40点基本ユニット リンク・リモート親局機能付 | 1 | ||
| HL-40DRP | 40点基本ユニット リンク・リモート親局機能付 | 1 | ||
| HL-64DR | 64点基本ユニット リンク・リモート親局機能付 | 1 | ||
| HL-64DRP | 64点基本ユニット リンク・リモート親局機能付 | 1 |
| シリーズ名 | 製品形式 | 製品名称 | 使用数量 | 使用電池形式, 仕様 |
|---|---|---|---|---|
| EH-150 | EH-CPU104 | CPU RAM・FLASH内蔵 4Ks | 1 | LIBAT-H |
| EH-CPU208 | CPU RAM・FLASH内蔵 8Ks | 1 | ||
| EH-CPU308 | CPU RAM・FLASH内蔵 8Ks | 1 | ||
| EH-CPU316 | CPU RAM・FLASH内蔵 16Ks | 1 | ||
| EH-CPU448 | CPU RAM・FLASH内蔵 48Ks | 1 | ||
| EH-CPU104A | CPU RAM・FLASH内蔵 4Ks | 1 | ||
| EH-CPU208A | CPU RAM・FLASH内蔵 8Ks | 1 | ||
| EH-CPU308A | CPU RAM・FLASH内蔵 8Ks | 1 | ||
| EH-CPU316A | CPU RAM・FLASH内蔵 16Ks | 1 | ||
| EH-CPU448A | CPU RAM・FLASH内蔵 48Ks | 1 | ||
| EH-CPU516 | CPU RAM・FLASH内蔵 16Ks | 1 | ||
| EH-CPU548 | CPU RAM・FLASH内蔵 48Ks | 1 |
| シリーズ名 | 製品形式 | 製品名称 | 使用数量 | 使用電池形式, 仕様 |
|---|---|---|---|---|
| EHV | EHV-CPU128 | CPU RAM・FLASH内蔵 128Ks | 1 | LIBAT-H |
| EHV-CPR128 | CPU RAM・FLASH内蔵 128Ks,二重化CPU | 1 | ||
| EHV-CPU64 | CPU RAM・FLASH内蔵 64Ks | 1 | ||
| EHV-CPU32 | CPU RAM・FLASH内蔵 32Ks | 1 | ||
| EHV-CPU16 | CPU RAM・FLASH内蔵 16Ks | 1 | ||
| EHV-CPU08 | CPU RAM・FLASH内蔵 8Ks | 1 |
| シリーズ名 | 製品形式 | 製品名称 | 使用数量 | 使用電池形式, 仕様 |
|---|---|---|---|---|
| MICRO-EH 23/28点 基本ユニット |
EH-A23*** EH-D23*** EH-DH23*** |
23点基本ユニット | 1 | EH-MBAT |
| EH-A28*** EH-D28*** EH-DH28*** |
28点基本ユニット | 1 | ||
| 23点/28点基本ユニットにはオプション電池カバーを使うことで EH-MBATL も使用可能です。 | ||||
| シリーズ名 | 製品形式 | 製品名称 | 使用数量 | 使用電池形式, 仕様 |
|---|---|---|---|---|
| MICRO-EH 64点/40点/20点 基本ユニット |
EH-A64*** EH-D64*** |
64点基本ユニット | 1 | EH-MBATL |
| EH-A40*** EH-D40*** |
40点基本ユニット | 1 | ||
| EH-A20*** EH-D20*** |
20点基本ユニット | 1 |
| シリーズ名 | 製品形式 | 製品名称 | 使用数量 | 使用電池形式, 仕様 |
|---|---|---|---|---|
| MICRO-EHV 64点/40点/20点 基本ユニット |
MVH-A64*** MVH-D64*** MVL-A64*** MVL-D64*** |
64点基本ユニット | 1 | MV-BAT |
| MVH-A40*** MVH-D40*** MVL-A40*** MVL-D40*** |
40点基本ユニット | 1 | ||
| MVL-A20*** MVL-D20*** |
20点基本ユニット | 1 |
| シリーズ名 | 製品形式 | 製品名称 | 使用数量 | 使用電池形式, 仕様 |
|---|---|---|---|---|
| Webコントローラ | EH-WA23DR EH-WD23DR |
23点基本ユニット | 1 | EH-MBAT |
| Webコントローラ23点ユニットにはオプション電池カバーを使うことで EH-MBATL も使用可能です。 | ||||
| シリーズ名 | 製品形式 | 製品名称 | 使用数量 | 使用電池形式, 仕様 |
|---|---|---|---|---|
| HX | HX-CP1S08 | スタンダードモデル | 1 | HX-BAT |
| HX-CP1H16 | 高機能モデル | 1 | ||
| HX-CP1S08M | モーションモデル | 1 | ||
| HX-CP1H16M | CNCモーションモデル | 1 | ||
| HXC-CP1H16 | ハイブリッドモデル | 1 |
| 型式 | MG000 |
|---|---|
| 公称電圧 | 3.6V |
| 電池仕様 | 3NR100-L |
| 外観 |
| 型式 | BAT0A |
|---|---|
| 公称電圧 | 3.0V |
| 電池仕様 | CR2450-2-T2 |
| 外観 |
| 型式 | Dシリーズ用バッテリ |
|---|---|
| 公称電圧 | 3.0V |
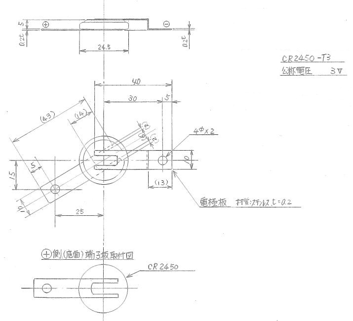
| 電池仕様 | CR2450-T3 |
| 外観 |
| 型式 | GM-4000用バッテリ |
|---|---|
| 公称電圧 | 3.6V |
| 電池仕様 | ER6C WK11 |
| 外観 |
| 型式 | LIBAT-H |
|---|---|
| 公称電圧 | 3.6V |
| 電池仕様 | ER17/33 WK |
| 外観 |
| 型式 | EH-MBAT |
|---|---|
| 公称電圧 | 3.0V |
| 電池仕様 | CR2032 WK |
| 外観 |
| 型式 | EH-MBATL | EH-MBATLC | |
|---|---|---|---|
| 公称電圧 | 3.6V | ||
| 電池仕様 | 変更前(*2) | ER3S WKP | |
| 変更後(*2) | ER3V C42 | ||
| 備考 | ケースなし | ケース付き(*1) | |
| 外観 | 変更前(*2) | ||
| 変更後(*2) | |||
(*1) EH-MBATLをMICRO-EH 23点/28点,Webコントローラ 23点タイプに取り付けるためのオプション電池カバーです。
(*2) メーカの生産終了に伴い、2023年3月から電池をマクセル製から東芝製に変更しています。
| 型式 | MV-BAT |
|---|---|
| 公称電圧 | 3.0V |
| 電池仕様 | CR17335 WK11 |
| 外観 |
| 型式 | HX-BAT |
|---|---|
| 公称電圧 | 3.0V |
| 電池仕様 | CR2032 WK11 |
| 外観 |
技術的なお問い合わせは、下記の技術相談窓口までお問い合わせください。
※電話番号・メールアドレスはお間違えのないように、お願いいたします。
お電話の場合
フリーダイヤル 0120-46-3444
携帯電話の場合は0254-46-3444をご利用ください。
月〜金曜日(祝日・弊社休業日は除く) 9:00〜12:00 / 13:00〜17:00