- Home
- 製品・ソリューション
- クレーンシステム・関連機器
- クレーン用LED照明
クレーンシステム・関連機器 クレーン用LED照明
振動(1.5G)や衝撃(20G)に耐える構造を採用。照度の違いで屋内用は3種類、屋外用は2種類のラインアップをご用意しております。
特徴
高い耐衝撃性
試験条件:
耐衝撃は20G(製品組み込み50回衝突時)。
耐振動は1.5G(30Hz・XYZ方向各1,000万回)。
(ホイスト本体と同レベル)
落下防止ワイヤ標準付属。
点灯装置の基板類はシリコンコーティングを実施。
省エネルギー化
従来の水銀ランプやメタルハライドランプに比べ消費電力を大きく削減。
長寿命 60,000時間※1
LEDを使用しているため、従来の水銀ランプに比べて長寿命※2。
ランニングコストの削減に貢献。
- 使用環境・使用方法により寿命は異なります
- 水銀灯400W形寿命:12,000時間
軽量化※
ランプと点灯装置が分離構造のため、別設置が可能(ケーブル長さ50m以内)。
質量は、屋内用でランプ1.9kg、点灯装置1.4kg、屋外用でランプ2.0kg、点灯装置1.5kgと軽量設計。
- 従来水銀灯器具+安定器:約7.0kg
瞬時に点灯
LEDは瞬時に点灯・再点灯が可能。
例えば吊荷作業ごとに消灯するなど、こまめな点灯・消灯でさらに節電を図ることもできます。
屋内用
屋内用:製品仕様
| ランプ | 点灯装置 | 性能 | 備考 | |||||
|---|---|---|---|---|---|---|---|---|
| 形式 | 質量(kg) | 形式 | 質量(kg) | 定格光束(lm) | 定格消費電力(W) (AC200V時) |
入力電流(A) (AC200V時) |
固有エネルギー 消費効率 (lm/W) |
|
| C-LED8B | 1.9 | C-CD8B | 1.4 | 11,500 | 66.2 | 0.36 | 173.7 | 水銀ランプ250クラス |
| C-LED12C | 1.9 | C-CD12B | 1.4 | 17,400 | 99.0 | 0.53 | 175.7 | 水銀ランプ400クラス |
| C-LED16C | 1.9 | C-CD16B | 1.4 | 22,000 | 128.0 | 0.68 | 171.8 | メタルハライドランプ400クラス |
-
点灯方式:固定出力形
-
公称適用電源:AC100V50/60Hz、200V50/60Hz、220V60Hz
-
光源色:昼白色(5,000K)
-
平均演色評価数:Ra80
-
使用周囲温度:-25℃~50℃
-
落下防止ワイヤ付属
-
UVレス
-
一般屋内用および軒下用(軒下については軒下設置図を参照ください)
-
日本国内専用
- 注)
- ランプと点灯装置は必ず上記の組み合わせでご使用ください。〈点灯装置は同クラスのLEDランプのtypeA/typeBにも使用可能です〉設置時に必ずアース工事を行ってください。
屋内用:軒下設置図
-
本製品のご使用は、上図の軒下雨線内で、ご使用ください。
屋内用:照度分布図
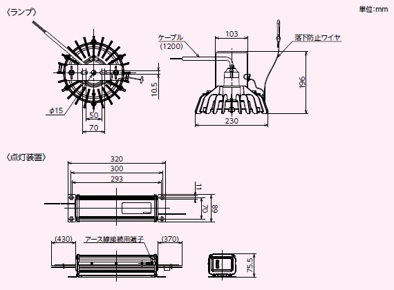
屋内用:寸法図
屋内用:消費電力比較
屋内用:保護等級
| 保護等級(IPコード) | 保護状態の定義 |
|---|---|
| IP53※ | じんあいの侵入を完全に防止することはできないが、電気機器の所定の動作および安全性を阻害する量のじんあいの侵入がなく、鉛直から両側に60度までの角度で噴霧した水によっても有害な影響がないことを示します。 |
- ※
- 日本産業規格JIS C 0920で制定された防水や防じんの程度についての等級。
- 注)
- 本製品は防爆形ではありません。
屋外用
屋外用:製品仕様
| ランプ | 点灯装置 | 性能 | 備考 | |||||
|---|---|---|---|---|---|---|---|---|
| 形式 | 質量(kg) | 形式 | 質量(kg) | 定格光束(lm) | 定格消費電力(W) (AC200V時) |
入力電流(A) (AC200V時) |
固有エネルギー 消費効率 (lm/W) |
|
| CR-LED12C | 2.0 | CR-CD12B | 1.5 | 17,000 | 99.0 | 0.53 | 171.7 | 水銀ランプ400クラス |
| CR-LED16C | 2.0 | CR-CD16B | 1.5 | 21,000 | 128.0 | 0.68 | 164.0 | メタルハライドランプ400クラス |
-
点灯方式:固定出力形
-
公称適用電源:AC100V50/60Hz、200V50/60Hz、220V60Hz
-
光源色:昼白色(5,000K)
-
平均演色評価数:Ra80
-
使用周囲温度:-25℃~35℃
-
落下防止ワイヤ付属
-
UVレス
-
一般屋外用
-
日本国内専用
- 注)
- ランプと点灯装置は必ず上記の組み合わせでご使用ください。〈点灯装置は同クラスのLEDランプのtypeBにも使用可能です〉
設置時に必ずアース工事を行ってください。
酸、アルカリなどの腐食性ガスの発生する場所、海水飛沫および潮風が直接あたる場所に取り付けないでください。
塩害地への設置図を参照ください。
屋外用:塩害地への設置図
海岸から約300m以上離れた地域に設置してください。
- 潮風にはかからないが、その雰囲気にあるような場所に設置する仕様です。
-
素材や塗装内容を強化していますが、腐食に対して万全ではありません。
このため、 次のような 据付計画と保守を行うことで、防食効果を高める必要があります。
1)海水飛沫および潮風に直接さらされることを回避するような場所へ設置してください。本体の設置は建物の風下にしてください。
2)据え付け、メンテナンス等にて付いた傷は、必ず補修してください。
屋外用:照度分布図
屋外用:寸法図
屋外用:消費電力比較
屋外用:保護等級
| 保護等級(IPコード) | 保護状態の定義 |
|---|---|
| IP65※ | 粉じんが中に入らず、あらゆる方向からの噴流水による有害な影響がないことを示します。 |
- ※
- 日本産業規格JIS C 0920で制定された防水や防じんの程度についての等級。
- 注)
- 本製品は防爆形ではありません。
お問い合わせ
製品に関するお問い合わせ・お見積り、カタログのダウンロードはこちらから受け付けています。お気軽にご相談ください。