ページの本文へ
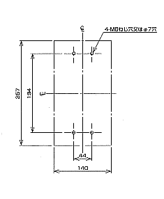
通信機能付ヒューズフリー遮断器:FXM400:寸法
(単位:mm)
表面形
せん孔図
閉じる
© Hitachi Industrial Equipment Systems Co., Ltd. All rights reserved.